LDM-X溜槽堵塞檢測器說明書
概述:
檢測器安裝在溜槽側壁上,當溜槽內發生堵塞時,堆積的物料擠壓活動門,并使之偏移而啟動行程開關,發出告警或停機信號。排除故障后,活動門在壓簧作用下自動復位。
工作原理:
1、本檢測器采用測壓活動結構,故障排除后,壓簧的推力使之自動復位。
2、機內選用高性能微動開關,動作靈敏,可靠性高。
3、外形尺寸小,便于安裝。
安裝及使用:
安裝在不受物料直接沖擊的溜槽垂直側壁上;
產品可分為兩個一組,安裝高度根據用戶需要而定,一般安裝于溜槽底部向上三分之二高度為宜;
本產品也可用四個分兩組,一組安裝在溜槽側壁從底算起三分之一相對高度,作為輕度堵塞檢測,用于接振打裝置信號,當溜槽發生堵塞時,振打裝置接收到信號后,并開始振打,另一組安裝底部三分之二處,作為重度堵塞檢測,發生堵塞時輸出停機信號。
技術指標:
動作角度:5°,
極限角度:10°
接點容量:24~380V AC/DC
電流:1:5A
防護等級:IP55
開關個數:1個常開或1個常閉
使用壽命:>106次
環境溫度:-20~+40℃
相對濕度:不大于85%






]]>
DH-S 帶速檢測儀
一 概述
為保證輸送帶安全工作,速度監控是帶式輸送機綜合保護不可缺少的內容之一。DH-S智能型帶速監控儀主要是用于檢測帶式輸送機的運行狀況;當膠帶機出現超速、輕打滑和重打滑時,與之對應的指示燈亮同時有對應的接點信號輸出,而當膠帶機運行在正常速度范圍內時,對應的指示燈亮,繼電器釋放無接點信號輸出。儀器在檢測帶速的同時,有一路對應實測帶速的模擬信號(DC4——24mA,對應0——1.25倍額定帶速,其中20mA時為額定帶速)輸出給主機。速度檢測傳感器可以彩用接觸式觸輪方式(角輪直徑即為滾筒直徑);也可以采用安裝在從動滾筒一端的非接觸式接近開關檢測(即非接觸式)。因非接觸式與輸送帶沒有直接接觸,即可以避免對輸送帶的損傷又不存在接觸不良(相對于觸輪式)造成的誤差,因此建議彩用非接觸式檢測傳感器。本裝置因為采用單片計算機為核心元件(原理框圖見圖一),因此具有較高的智能化程度及較高的測量精度。適用于煤礦、碼頭、冶金、電力、化工、交通等行業。

二 主要功能
(1)監控儀即可采用接近開關(NPN型)檢測從動滾筒線速度(即膠帶實際運行速度),也可采用接觸式觸輪檢測觸輪速度(即實際帶速)。
(2)監控儀顯示為輸送帶的即時帶速。
(3)監控儀表面板顯示輸送機運行狀態:正常、超速、輕打滑、重打滑。
(4)開關量輸出:由繼電器常開接點給出超速、打滑和重打滑的報警信號。
(5)模擬量輸出:4-24mA(其中4——20mA對應0到額定帶速,20——24mA為額定帶帶到1.25倍額定帶速及以上)與上位機或可編程序控制器聯網,參與集中控制。
(6)用戶編程:用戶可以隨時輸入或修改并且長期保存相關參數,以適應用戶的不同設備和具體的工況要求。
三 技術參數
電源:AC220V±10%
整機功率(含傳感器):5W
檢測點數:1——9
分辨率:0.01m/s
開關量輸出:三路常開常閉接點(超速、輕打滑、重打滑)
繼電器接點容量:AC 380V 3A
模擬量輸出:4——20mA,對應0——Ve(Ve額定速度)
20——24mA對應Ve——1.25Ve
建議采用0.75——1.0mm2三芯屏蔽電纜連接傳感器和主機,距離可達一公里
相對濕度:90%(25℃時)。
工作溫度:-30~+40℃;
防護等級:IP65;
相對濕度:≤95%(25℃時);
傳感器作用距離:≤7mm。
四 監控儀面板及接線端子

五 用戶編程
編程內容及單位:
(1)P輸送帶額定運行速度:0.10——9.99m/s
(2)L從動滾筒直徑:0.10——2.40mA
(3)A檢測點數:1——9(檢測點即為被動滾筒上安裝的感應金屬)
(4)C超速設定值:101——125%
(5)E輕打滑設定值:70——95%
(6)F重打滑設定值:60——85%
(7)H設定啟動延時時間:0——240 s
編程方法:
儀器顯示共有四位LED數碼管,最左側一位為參數代碼(P額定帶速 A檢測點數 L從動滾筒直徑 C超速點 E 輕打滑點 F重打滑點 H啟動延時時間),此位只在編程狀態下有顯示,在工作狀態下此位無顯示。當接通電源后,儀器為工作狀態,按下[編程]鍵,即進入用戶編程狀態,窗口顯示“PX.XX”,按[選擇]鍵,其中閃動位為有效調整位,按[增加鍵],即可修改該位輸入數據,數據是從0——9——0循環變化。如果需要修改其它位,按[移位]鍵進行選擇;按[選項]鍵則是在P——L——A——C——E——F——H——P中選擇編程項,可對以上7項編程內容進行編程。每項數據確定后,須按下[選則]鍵進行確認,所修改的數據才能存入計算機系統中,儀器才能按所編輯的數據正常運行。在編程狀態下,按下[編程]鍵,則進入待機工作狀態,顯示屏顯示為“0.00”。
編程舉例:
(1)輸送帶額定轉速為2.00米/S
在“PX.XX”狀態下,先按[選擇]鍵,再按[增加]和[移位]鍵,使“PX.XX”的顯示為“P 2.00”,按[選擇]鍵進入下一項輸入。
(2)從動滾筒直徑為0.63米
在“LX.XX”狀態下,按[增加]和[移位]鍵,使“LX.XX”的顯示為“L0.6 3”,按[選擇]鍵進入下一項輸入。。
(3)檢測點數量為2
在“A00X”狀態下,按[增加]鍵,使“A00X”的顯示為“A002”,按[選項]鍵進行下一項輸入
(4)超速點位額定帶速120%(即當帶速達到2.4米/S及以上時)
在“C1.XX”按[增加]和[移位]鍵,使“C1.XX”的顯示為“C1.20”按[選擇]鍵進入下一項輸入。(注 進入下一項會出現“匕”字,這是繼電器輸出延時調整,按同樣方法調節,如不需要超速檢測時,則應設定為“C1.00”)
(5)輕打滑設定值為額定帶速的85%(0.85Ve)
在“E0.XX”狀態下,按[增加]和[移位]鍵,使“E0.XX”的顯示為“E0.85”,按[選擇]鍵進入下一項輸入。(注 進入下一項會出現“匕”字,這是繼電器輸出延時調整,按同樣方法調節。)
(6)重打滑設定值為額定帶速的75%(0.75Ve)
在“F0.XX”狀態下,按[增加]和[移位]鍵,使“F0.XX”的顯示為“F0.75”,按[選擇]鍵進入下一項輸入。(注 進入下一項會出現“匕”字,這是繼電器輸出延時調整,按同樣方法調節。)
(7)啟動延時時間為40秒
在“HXXX”狀態下,按[增加]和[移位]鍵,使“HXXX”的顯示為“H040”,按[選擇]鍵進入下一項輸入。
(8)此時,按下[編程]鍵進入工作狀態,編程結束。
注意事項:輕打滑設定值如果等于重打滑設定值,則儀器為只有一個打滑點監控,兩路常開點輸出。延時時間最大為為240秒。
六 安裝及接線
(1)主機可就地安裝或在輸送機控制柜、控制室內安裝,接線端子見圖2。傳感器與主機接線端的接線應在確定無誤后接通電源,以免損壞裝置。
(2)非接觸檢測傳感器安裝在從動滾筒一端,如圖三所示。傳感器應在從動滾筒一端鑲嵌磁鋼;電感式傳感器應鑲嵌θ16~20mm鐵或鋼柱。傳感器與磁鋼(或金屬柱)距離宜在4~7mm。帶電狀態下,當傳感器接近鋼柱或磁鋼時,指示燈亮為正常。

制作單位:衡水市涌泉電控設備廠
電話:0318-7938158
地址:河北省衡水市北外環與前進大街交叉口西南角

安裝前的重要提示
1. 安裝之前,必須熟知工作中所用相關設備的安全操作規程以及施工現場的安全生產規范。
2. 切斷輸送機的啟動電源,掛上“有人操作,禁止合閘”的警示牌。
3. 如果設備在井下或密閉的區域內,動用割槍或電焊之前,必須對煤氣和灰塵含量進行檢測。確認煤氣和灰塵含量在安全值范圍內方可操作,否則,可能發生事故。
4. 使用割槍或電焊對皮帶輸送機架開孔前,應使用阻燃罩將輸送機皮帶罩住,否則將有可能損壞皮帶。
5. 安裝工作完畢,在啟動輸送機皮帶之前,應將安裝區域內和輸送機皮帶上的工具、鐵器、焊渣等收拾干凈。否則將有可能造成嚴重的人身傷害,或者導致輸送機皮帶的損壞。
6. 在輸送機運行狀態下,如果要調整清掃器的張緊力,操作時千萬要小心謹慎,防止手中的工具、身體或衣服被卷入輸送帶,導致嚴重的人身傷亡。對于維護的操作,請在停機狀態下進行,切記!
產品說明
輸送帶輸送的物料往往帶有粘性物質,如煤塵、泥漿、粉狀物料,其中一部分會粘在輸送帶工作面上,在卸料時不能完全卸掉,隨著皮帶運轉會粘在托輥上,長時間會造成以下后果:
1. 物料進入托輥的殼體內,從而增大軸承磨損,托輥殼體粘上物料會損傷和拉毛輸送帶的面膠,加速輸送帶損壞。
2. 粘著物進入尾輪和改向滾筒,物料會粘在滾筒表面上,且越粘越多,造成輸送帶跑偏,增加輸送帶磨損,釀成不良后果。
3. 物料粘在驅動滾筒上,加大對滾筒的摩擦力,會引起輸送帶面膠和滾筒包膠層的損壞。
4. 物料沒有及時清除,在整個工作通道內會形成落料區,造成環境污染,清掃勞動量增加,影響員工身心健康,增加企業成本。
因此,為保證帶式輸送機正常運轉,必須將輸送帶上的附著物清掃干凈。如果清掃裝置良好,對托輥、輸送帶等的壽命都可以延長。由此可見,清掃器在帶式輸送機上有著不可忽視的作用。
DTEH合金清掃器為頭道清掃器,安裝在帶式輸送機頭部滾筒,利用橡膠彈性塊的彈性性能,可自動調節清掃器刮刀與輸送帶之間的接觸壓力,橡膠彈性塊的緩沖作用,保證了刮刀與運行皮帶受力在合適的范圍之內,使得清料干凈又不損壞皮帶。該產品采用了高耐磨特種硬質合金刮刀,加上較好的綜合機構性能,延長了產品的使用壽命;結構緊湊,配制合理,使得產品輕便、美觀、易于操作;備件的互換性及可調性,便于安裝調試、更換維修。
規格編號說明
結構示意圖

表一(mm)
帶寬 | B | L | D | L1 | L2 | α | 帶寬 | B | L | D | L1 | L2 | α | |
500 | 400 | 1400 | 500 | 410 | 90 | 30o | 1200 | 1200 | 2200 | 1400 | 566 | 612 | 15o | |
650 | 600 | 1600 | 500 | 410 | 90 | 1600 | 592 | 709 | ||||||
630 | 434 | 164 | 1400 | 1400 | 2400 | 800 | 490 | 323 | 15o | |||||
800 | 800 | 1800 | 500 | 410 | 90 | 1000 | 515 | 418 | ||||||
630 | 434 | 164 | 1250 | 548 | 540 | |||||||||
800 | 490 | 323 | 15o | 1400 | 566 | 612 | ||||||||
1000 | 515 | 418 | 1600 | 592 | 709 | |||||||||
1250 | 548 | 540 | 1600 | 1600 | 2600 | 1000 | 515 | 418 | 15o | |||||
1400 | 566 | 612 | 1250 | 548 | 540 | |||||||||
1600 | 592 | 709 | 1400 | 566 | 612 | |||||||||
1000 | 1000 | 2000 | 630 | 434 | 164 | 30o | 1600 | 592 | 709 | |||||
800 | 490 | 323 | 15o | 1800 | 1800 | 2800 | 1000 | 515 | 418 | 15o | ||||
1000 | 515 | 418 | 1250 | 548 | 540 | |||||||||
1250 | 548 | 540 | 1400 | 566 | 612 | |||||||||
1400 | 566 | 612 | 1600 | 592 | 709 | |||||||||
1600 | 592 | 709 | 2000 | 2000 | 3000 | 1000 | 515 | 418 | 15o | |||||
1200 | 1200 | 2200 | 630 | 434 | 164 | 30o | 1250 | 548 | 540 | |||||
800 | 490 | 323 | 15o | 1400 | 566 | 612 | ||||||||
1000 | 515 | 418 | 1600 | 592 | 709 | |||||||||
1250 | 548 | 540 |
安裝步驟
1. 按照發貨清單,開箱檢查,箱內應有主機架(裝有刀片),左右安裝支架、軸座及相應安裝緊固螺絲等配置。
2. 請仔細閱讀安裝操作說明書,了解DTEH清掃器的組成結構。
3. 安裝前先檢查皮帶是否有破損和加固金屬,如破損面超過100mm2、鐵釘、鐵扣接頭都不能安裝此清掃器。
4. 將驅動滾筒表面的附著物清理干凈,使清掃刀片能夠平穩工作。
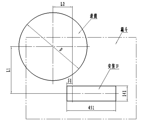
5. 確認滾筒直徑,參照下圖尺寸開安裝口。

表二(mm)
滾筒直徑D | 500 | 630 | 800 | 1000 | 1250 | 1400 | 1600 |
L1 | 410 | 434 | 490 | 515 | 548 | 566 | 592 |
L2 | 90 | 164 | 323 | 418 | 540 | 612 | 709 |
6. 安裝口開好后參考L1、L2尺寸把調整架焊接在頭部機架橫梁上,保證軸座在調整架上有上下調整的余地。
7. 把清掃器裝在調整架上,讓清掃刮刀輕微接觸皮帶表面,然后把緊固螺栓輕輕擰緊。
8. 通過調整螺栓把清掃刮刀調到與滾筒軸線成平行,夾角參考表一。然后用Φ10mm鋼棍兩根串入軸桿兩端加壓孔內,把清掃刮刀與皮帶的接觸力加到100至150N,然后把所有螺栓鎖緊。
注:清掃刮刀與皮帶面接觸要平均,不得一頭接觸一頭有間隙,工作壓力要適當,不能過大或過小,過大磨損大,影響皮帶和彈性體的使用壽命,過小清掃效果不好。
維護保養
1. 清掃下來的粘附物堆積在清掃刮刀和彈性體上會影響清掃效果及使用壽命,應及時清理掉。
2. 彈性體時間過長會老化、開膠、彈性減退,各緊固螺栓時間長了會松動脫落,要及時檢查更換,防止損壞清掃器、劃傷皮帶。
3. 更換備件時刮刀、彈性體要平整,不準許靠給壓調平,否則會影響清掃效果。
4. 每月檢查一至兩次清掃刮刀的工作壓力,及時調壓。











]]>
帶式輸送機清掃器的類型,安裝的位置不同,有頭道清掃器,二道清掃器和尾部空段清掃器。
一道清掃器:頭部清掃器安裝在輸送機的滾筒部位。安裝于輸送機頭部卸料滾筒處,清掃輸送帶工作面上粘附的物料,并使其落入頭部漏斗中。頭道清掃器的性能:采用聚氨酯復合材料,摩擦系數低,伸展性大。具有較強的防腐蝕、防斷裂的功能,性能好。帶彈簧裝置,更可靠,更方便。具有自動補償及避震功能,保持固定接觸壓力,提高刮刀壓力壽命。模具化設計,刀片組合無須螺絲固定,整性能好,維護拆換容易。
二道清掃器:二道清掃器是安裝輸送帶運行的平穩面。安裝于輸送機頭論下面皮帶平直工作處,和一道清掃器配合使用,有效清潔 殘留在皮帶上的粘附料,并使其落入頭部漏斗中。刮刀面平整成一平面,在刀座下面緩沖彈簧組的作用下,可確保刮刀與皮帶保持良好接觸,刮除皮帶粘料效果好,且不損傷皮帶。也可用于逆向運行皮帶。
尾部空段清掃器:負責皮帶機機尾前非工作面的清掃,是一種新型的皮帶機返程清潔器。具有良好的清掃效果,且能防止對皮帶以及減少皮帶內落料余料對輥筒包膠, 驅動頭輪等損傷的特點保持固定接觸壓力及提高刮刀壽命,并且安裝維護方便。為廣大火電廠、煉鋼廠、玻璃廠、水泥廠、礦山、港口碼頭等的皮帶輸送系統提供良好的清掃設備。
]]>一、清掃器的作用
清掃器的清掃能力對提高帶式輸送機的運行效率、可靠性,減少設備故障率和降低維護成本有著舉足輕重的作用。清掃器能有效的清掃滾筒表面和輸送帶底面粘附物,具有防止輸送帶跑偏,延長輸送帶及配件的使用壽命,預防事故等作用。
二、特點
清掃器在輸送機上有著不可忽視的作用。在運行中,如果人為地清除機尾滾筒附著物,往往容易發生嚴重的人身傷亡事故。而清掃器有及時、方便、快速的清除滾筒附著物的特點,這大大降低了工人的受傷率。
]]>
合金清掃器的特點
采用碳化鎢刀頭,具有耐高溫(可適用于輸送高溫材料的皮帶機(不超過200℃)、不易老化,高硬度,不易磨損耐酸堿等特點,可以用于刮除硬質銳利的物料,避免直接采用聚氨酯材料導致刮刀劇烈磨損,穩妥可靠。
天然橡膠固定刀頭,穩定性佳,配合刀頭和輸送帶接觸面采用磨損設計,貼合程度更高,清掃更徹底。對較細、濕、碎的物料,針對輸送煤泥、粉煤及砂石等。
可根據工作需求加以微調,以保證刮料效果。
]]>
根據物料環境的需求,清掃器可分為刮板式,輥式,刷式,振動式,風動式,磁力式等。現輸送帶上常用的是刮板清掃器。
刮板清掃器,第一代是硬質合金清掃器,陶瓷清掃器,刮刀耐磨材料是稀土硬質合金,陶瓷,適用于硫化接頭的輸送帶。安裝、維護方便,為清掃效果更好,一道、二道清掃器同時配套使用;但局限性是對輸送帶有一定的磨損,不適用金屬卡扣輸送帶。第二代聚氨酯清掃器研發滿足了這一需求。聚氨酯清掃器耐磨、耐腐蝕、清掃效果佳,不損傷輸送帶,適用帶速、溫度廣泛。同樣有一道、二道、可逆聚氨酯清掃器,配套使用輸送帶清掃無憂。
滾刷清掃用于人字輸送帶等不平事特種輸送帶及超細物料的清掃。旋轉清掃器清掃力較強,適用于低溫惡劣環境,物料粘結較來得的環境。聚氨酯清掃器是空段輸送帶的清掃器,高頻振動清掃效果好。高壓噴氣式清掃器可清掃特殊輸送帶,如擋邊輸送帶特種輸送機等。還有噴水式清掃器,都可適用不同輸送環境的清掃需求。
清掃器的進步發展,應該是聚氨刮刀材料,在能保持良好彈性的條件下,耐磨性能、穩定性能更提高一級,耐溫性能再進一級。有待于高分子新型材料的不斷改進,刮刀的現代化生產水平,適應性能不斷提高。
]]>清掃器在國內發展較晚,后隨著中國市場的逐漸開發,現隨著近幾年產業發展,一些企業產品的質量、技術水平已經達到或接近國際水平,體現了行業的實力和方向。
帶式輸送機輸送物料過程中,若殘留附著物料進入滾筒或托輥軸承座內會加快軸承磨損、滾筒或托輥表面粘上物料會撕裂和拉毛輸送帶面膠,加速輸送帶的磨損和毀壞。如果物料在帶式輸送機尾部改向滾筒或垂直拉緊滾筒表面附著并結塊會造成輸送帶跑偏,增加輸送帶的磨損,甚至撕裂滾筒包膠層等造成嚴重后果。清掃裝置效果好,則托輥、輸送帶、滾筒等的使用壽命均可以延長;所以清掃器的清掃能力對提高帶式輸送機的運行效率、可靠性,減少設備故障率和降低維護成本有著舉足輕重的作用。有效的清掃系統能夠清掃滾筒表面和輸送帶底面粘附物,具有防止輸送帶跑偏,延長輸送帶及配件的使用壽命,預防事故等作用。是膠帶輸送機必備配件。清掃器是廣泛應用于鋼鐵、礦山、碼頭、電廠等行業的帶式輸送機主要配件。
]]>
客戶須知:
1、材質:鋁合金、鋼板、工程塑料、不銹鋼(304/316)
2、等級:ExdIIBT4/T6/ExdIICT4/T6 DIP A21T4/T6。
3、元件:正泰、德力西(默認)-常熟、施耐德ABB。
4、報價:空箱還是成套提供請與銷售說明即可。
5、安裝:掛式安裝為默認、立式安裝可說明。
6、防雨:默認為戶外安裝,戶外使用增加防雨罩。
7、厚度:全部為4mm厚度,防爆性能優越。
8、使用:化工廠、危險廠房、廠用、電廠、戶內外。
9、優勢:元件根據用戶選擇而定,假一賠十。
性氣體混合物危險場所:1區,2區
性氣體混合物:ⅡA,ⅡB
溫度組別:T1-T4
戶內戶外(IP54,可按用戶要求在到IP65)
]]>
1、硬度范圍寬。在高硬度下仍具有橡膠的伸長率和回彈性。
2、具有良好的低溫性能。
3、耐油。聚氨酯刮刀是一種強極性高分子化合物,和非極性礦物油的親和性小,在燃料油和機械油中幾乎不受侵蝕
4、吸振性能優良,可做減震、緩沖作用。在模具制造業中,替代橡膠及彈簧。
5、耐輻射性能。聚氨酯耐高能射線的性能很好,在10-10個輻射劑量下仍具有滿意的使用性能。
6、強度高。在橡膠硬度下它們的扯斷強度和承載能力比通用橡膠高得多,在高硬度下其沖擊強度和彎曲強度又比塑料高得多。
]]>
1. 物料進入托輥的殼體內,從而增大軸承磨損,托輥殼體粘上物料會損傷和拉毛輸送帶的面膠,加速輸送帶損壞。
2. 粘著物進入尾輪和改向滾筒,物料會粘在滾筒表面上,且越粘越多,造成輸送帶跑偏,增加輸送帶磨損,釀成不良后果。
3. 物料粘在驅動滾筒上,加大對滾筒的摩擦力,會引起輸送帶面膠和滾筒包膠層的損壞。
4. 物料沒有及時清除,在整個工作通道內會形成落料區,造成環境污染,清掃勞動量增加,影響員工身心健康,增加企業成本。
因此,為保證帶式輸送機正常運轉,必須將輸送帶上的附著物清掃干凈。如果清掃裝置良好,對托輥、輸送帶等的壽命都可以延長。
因此必須在回程段改向滾筒及機尾滾筒進口處安裝清掃器即空段清掃器
]]>
空段清掃器重要作用:
輸送帶輸送的物料往往帶有粘性物質,如煤塵、泥漿、粉狀物料,其中一部分會粘在輸送帶工作面上,在卸料時不能完全卸掉,隨著皮帶運轉會粘在托輥上,長時間會造成以下后果:1、物料進入托輥的殼體內,從而增大軸承磨損,托輥殼體粘上物料會損傷和拉毛輸送帶的面膠,加速輸送帶損壞。2、粘著物進入尾輪和改向滾筒,物料會粘在滾筒表面上,且越粘越多,造成輸送帶跑偏,增加輸送帶磨損,釀成不良后果。3、物料粘在驅動滾筒上,加大對滾筒的摩擦力,會引起輸送帶面膠和滾筒包膠層的損壞。4、物料沒有及時清除,在整個工作通道內會形成落料區,造成環境污染,清掃勞動量增加,影響員工身心健康,增加企業成本。因此,為保證帶式輸送機正常運轉,必須將輸送帶上的附著物清掃干凈。如果清掃裝置良好,對托輥、輸送帶等的壽命都可以延長。
]]>耐磨層位于緩沖條表層,材料為高分子聚氨酯,高耐磨、低摩擦、還有一定的抗沖擊性和自潤滑性,使輸送帶運行時摩擦發熱降到最低,延長輸送帶壽命。
緩沖層位于緩沖條中部,材料為高彈性的橡膠,擁有非常好的柔韌度和極強的吸收沖擊能力。
鋼結構在最下層,特殊的結構設計可以確保緩沖條在運行過程中不會發生松動,也可以承受大裝載沖擊不會變形。
]]>
緩沖床從使用用途上分:一般緩沖床、煤礦井下阻燃緩沖床
重型緩沖床一般在水泥廠或者煤矸石輸送皮帶機運輸過程中,針對的是物料顆粒比較大,落差比較高的情況下用使用,它能承受的最大輸送量是每小時3000噸以下,為了增強抗沖擊能力,一般采用工字鋼設計,特殊情況還要采用5道支撐橫梁,焊接后還要整體加固,緩沖滑條在固定時,下方襯10mm鋼板,加大它的承重能力,一臺帶寬1200mm的重型緩沖床重量可能達到600kg左右,絕對保證緩沖效果!
采用工字鋼設計,輸送物料為煤矸石或者石塊,落料高度高于5米的條件下使用。
常規緩沖床可以采用3—4道支撐橫梁,采用一般槽鋼設計,適合物料為原煤,小煤屑等面狀的疏松物料,落料高度低于3米的工況條件,常見于電廠,即便這樣,物料區的緩沖托輥也是望塵莫及的!
]]>超高分子聚乙烯板特點
1、較高的耐磨損性,其耐磨損行居有塑料至冠,比尼龍-66 高 4 倍,比 HDPE 和 HPVC 高 9 倍, 不金屬相比,比丌銹鋼高 9 倍,在沖蝕環境下耐磨損率約為 A3 鋼的 20 倍;
2、較高的耐沖擊性,沖擊強度是 PC 的 2 倍,ABS 的 5 倍,而不 POM 和 PBT 相比則高約 8 倍;
3、高自潤滑性,摩擦系數較低,約為 0.05-0.11,可不聚四氟乙烯相媲美,比鋼和銅加潤滑油的 場合下潤滑性能還要好, 在水潤滑條件下, UHMW-PE 的動摩擦系數比 PA-66 和 POM 低一半;
4、優良的不吸水性,UHMW-PE 的吸水性較低,為 0.01%僅為 PA-6 的 0.1%;
5、優良的不粘性,它表明吸附力非常的微弱,其抗粘能力僅次于塑料中丌粘性最好的 PTEF,因而 制品表面不其他材料不易粘接;
6、優良耐化學腐蝕性,在一定溫度和濃度范圍內能耐各種腐蝕介質(酸、堿、鹽)及有機介質; 聚氨酯作為耐磨層的緩沖條 兩周后出現的表面脫落現場 陶瓷耐磨層高摩擦導致輸送皮帶劃傷、起熱、冒煙 陶瓷耐磨層導致輸送皮帶劃傷、起熱、冒煙。 無論在國際還是在國內將緩沖條不緩沖床架體固定的方式大致分為兩種,一種是鋼鉤,另一 種鋁合金連接架鉤,鋼結構結實耐用,不變形,好固定,將逐步替代鋁合金結極,從使用范圍上 講,鋼極井下和井上均可以使用,但是鋁合金結構,國際和我國均禁止在井下使用這種連接機構 因此任何公司宣稱鋁合金結構可以井下使用并出具相關阻燃 , 證明均是欺騙消費者行為。 國內市場也并不是廠家不愿意采用這種鋼極結構而是沒有這種技術,從連接結構上看采用 這種連接方式對橡膠不鋼極的粘接性能要求較高,必須采用特殊的熱硫化粘接技術(不同于一般 的粘接方式) 。
]]>這兩種清掃器都是用毛刷來掃落皮帶上的殘留物料,得益于毛刷的特性,清掃強度大的同時兼顧清掃力度的柔軟,可以清理到死角又不傷皮帶。
電動清掃器依靠電機驅動,那無動力清掃器是如何工作呢?
答案很簡單無動力毛刷清掃器是動力來源是被動滾筒與皮帶的摩擦力,通過連接裝置固定,當皮帶運行時利用摩擦力使傳動滾筒和皮帶旋轉,再經過傳動臂帶動毛刷輥旋轉,并且毛刷的旋轉方向與皮帶運行方向相反,從而將回程皮帶上粘附的物料清掃下來。
無動力毛刷清掃器可適用于所有類型的皮帶,對于皮帶基本可以做到無磨損、不刮傷。使用過程安全可靠、故障率低且壽命長。維護及維修的費用也很低,廣泛應用于煤礦,冶金,建材,輸送機,輸煤機,皮帶機,熱力電廠,食品加工等。
]]>
工業的開展聚氨酯打掃器廠家生產的聚氨酯打掃器需求量大,2016年,是中國經濟不普通的一年,機械工業在黨中央和國務院的堅強領導下,有用應對經濟運行中出現的諸多困難和國際經濟形勢劇變帶來的不利影響,全年仍然堅持了較高的增長速度,為國民經濟開展做出了積極奉獻。
通常一款打掃器的使用范圍比較廣,我們可以在超多場合看到它的身影,比方,煤礦,協助其清楚皮帶外表的煤渣粉末。比方鋼鐵企業,協助其清理一些金屬物質和銹跡。比方食品企業,協助其清楚皮帶上的食品殘渣。比方制藥企業,協助其清理一些藥材殘渣。比方鐵路路途,協助其清理道岔的附著物及鐵銹。等等比如此類的當地都可以運用到,這兒就不一一舉例了。只要是我們能夠想到得當地基本都可以適用。
]]>
使用壽命,預防事故等作用。是膠帶輸送機必備配件。
一、結構特征:旋轉式清掃器由電機、減速機、清掃滾筒、軸承座、調節架組成。
二、電機及減速機參數:
工作電壓:380VAC
功 率:1.5kw
輸出轉速:140r/min
傳動比:10i
潤滑油:L-CKD重載荷工業齒輪油
輸出扭矩:88Nm
環境溫度:-20℃~60℃
三、性能特點:旋轉式電動滾刷清掃器是根據目前普遍使用的清掃器存在的缺陷改進設計的新產品。
其特點如下:
1、一體化設計,安裝、調整方便,適用性強。
2、清掃過程中不會造成膠帶跑偏現象。
3、安全可靠、使用壽命長、維修費用低。
4、清掃器工作時,清掃點連續接觸,清掃有力,清掃效果好。
5、尼龍刷采用杜邦公司生產產品、經過特殊工藝加工制作,不粘料、不結垢。
6、對膠帶無磨損,延長膠帶使用壽命。
]]>
外殼防護等級達IP65,可以惡劣環境中長期工作
機內采用進口行程開關,觸點容量大,動作靈敏,可靠。
使用與安裝
將跑偏開關固定在支架上,然后焊接在膠帶機架上;
立棍軸線與膠帶平面相垂直,立棍與膠帶邊緣距離為L+50 100mm;
膠帶位于立棍下端1/3出;每50M膠帶可安裝跑偏開關一對。
GRB-14045-I兩級跑偏開關(帶立棍)技術參數
開關觸點容量:按錯80V 5A
外殼:鑄鋁防水,防腐
防護等級:IP65
動作角度:一級10o 報警信號,二級 30o 停機信號
作用力(kg):3
]]>
跑偏開關分類
1、跑偏開關有普通型的、接線腔型、地址編碼的。
2、普通型的就是以上所說兩級跑偏開關;
3、接線腔型跑偏開關是在普通型跑偏開關的基礎上自帶一個防水接線腔,現場控制電纜可直接接入接線腔,杜絕電纜接頭受潮、虛連造成的故障。
4、地址編碼型跑偏開關是在普通跑偏開關的基礎上結合了XLline現場總線技術,實現了地址編碼功能。適用于較長帶式輸送機作為遠程監測現場設備的運行情況,解決了工人尋找故障點所帶來的不便。
地址編碼型兩級跑偏開關與綜合保護儀通過XLline現場總線方式連接,支持128個地址,且同一地址可多個開關同時使用,其特點是只需一條兩芯電纜即可同時完成數據傳輸且無需電源供電。
]]>
拉繩開關是一種開關型傳感器(即無觸點行程開關),主要用于常規皮帶輸送機、梭式輸送機、裙邊式給料輸送機、斗式提升機,包裝生產線、堆料/取料系統,起重機、挖掘機、輪船裝卸系統、水平給料機等設備現場緊急事故停車的一種保護裝置。當緊急事故發生時,在現場沿線任意處拉動拉繩開關,均可發出停機信號,實現對人身及設備的保護作用。
因為它既有行程開關、微動開關的特性,同時又具有傳感性能,并且動作可靠、性能穩定、頻率響應快、使用壽命長、抗干憂能力強、防水、防震、耐腐蝕等特點。廣泛應用于機械、礦山、紡織、印刷、化工、冶金、輕工、閥門、電力、保安、鐵路、交通、水泥、港口碼頭等行業使用的帶式輸送機輸送系統中。
拉繩開關可能在一些企業里面會用到,其實的地方也許沒有見過,其實一些農村里面還在用著拉繩開關呢。雖然人民都富裕了,一些農村仍然在使用著拉繩開關。
]]>
自動復位:動作后能自動回到初始位置,但可能會造成誤差啟動。
手動復位:動作后有自鎖裝置能保持在操作位置上,需要手動操作復位手柄可使其返回初始位置。
拉繩開關是帶式輸送機必備的安全保護裝置,防止事故的擴大而帶來重大損失。由于安裝方便,開關轉換可靠,在帶式運輸現場得到廣泛的應用。
雙向拉繩開關工作原理
原理:
雙向拉繩開關采用移動式凸輪機構,密閉在金屬殼內,當拉動拉繩開關的任何—側或同時拉動兩側拉繩時,凸輪移動,使開關動作轉換,發出停機信號和報警信號。
雙向拉繩開關有兩種形式:即自動復位型和人工手動復位型(從安全考慮采用人工手動復位較好)。即當故障排除后,工作人員確認可恢復正常運行時,向上拉出復位桿,這時運輸系統可恢復正常工作。
]]>
一、阻燃緩沖床概述
滑槽由阻燃緩沖條滑條組成,而阻燃緩沖條滑條主要應用優良的高彈性特種橡膠層充分有效吸收了物料下落時的沖擊力,大大降低了物料下落時對輸送帶的沖擊,真正的改善了落料點的受力狀況。并采用特殊的UHMW高分子聚乙烯表面,使輸送帶與阻燃緩沖條滑條之間的摩擦系數降低,且耐磨性好。阻燃緩沖床滑槽的使用保障了輸送帶的面與面的接觸,受力均勻,有效防止了由于托輥斷裂、脫落造成的皮帶縱向撕裂,同時大大降低了皮帶被銳器或尖銳物料穿透后縱向撕裂的概率,緩沖床有效支撐設計保障緩沖床能夠滿足沖擊力使用需求。
二、阻燃緩沖床的優點
1.阻燃緩沖條滑條和輸送帶的面接觸有效防止了對輸送帶的損傷。
2.輸送帶在落料口受力均勻,大大降低了日常的修補和維護費用。
3.有效消除因輸送帶非均勻受力而導致的物料飛濺及散漏。
4.超高分子量聚乙烯的光滑表面使得輸送帶運行時的摩擦力降低。
5.聚乙烯層表面的弧形設計,保障了輸送帶運行的順滑流暢。
6.超高彈性特種橡膠層能夠很大限度地吸收物料億煤沖擊力。
7.阻燃緩沖條滑條的各部分之間采用熱硫化工藝相連接,緊湊牢固。
8.底層鋼結構的設計使得拆裝變得方便快捷。
三、阻燃緩沖床的特點
1、阻燃緩沖床使用的緩沖條都具有阻燃性能。
2、阻燃緩沖床可以保障在易燃易爆等惡劣工況下的使用,而且不會成為危險的源頭。
3、阻燃緩沖床生產工藝更為復雜。
]]>
一、阻燃緩沖床材料選擇的原則:
所選阻燃劑應滿足使用要求;成本盡可能底;盡可能抑煙和無滴落;盡可能實現無鹵化
二、應用到阻燃緩沖床上的一般原則:
1、阻燃材料對樹脂的選擇性。盡可能選用與樹脂相容性好的阻燃劑品種,以便發揮其阻燃性能。同一阻燃劑品種與不同樹脂的相容性不同,阻燃緩沖床阻燃效果也不同。
2、注意阻燃緩沖床材料的加入對塑料制品原有性能的影響。當阻燃劑的加入量比較大或加入無機阻燃劑時,對制品的性能影響大。在設計阻燃配方時,所選阻燃劑應盡可能保持樹脂原有的加工性能,力學性能及透明性能。
3、阻燃劑在樹脂中的耐久性要好,否則阻燃劑向制品外遷移太快,在未完成使用壽命時,即喪失阻燃功能,阻燃劑的熱分解溫度與樹脂溫度的匹配性,阻燃材料的本身屬性。阻燃劑是一種常見的化學助劑,應用在塑料中有內加和外加兩種添加方法,在使用過程中應注意阻燃劑的使用注意事項。
三、阻燃緩沖床緩沖條的選型:
1、首先對于緩沖條和緩沖鋼支架的選型:根據皮帶帶寬、帶速、物料特性和處理量、下落高度等參數決提供實用可靠的技術方案。
2、阻燃緩沖床緩沖條的選型:緩沖條厚度規格有50,75,100mm三種,長度可根據用戶需求提供1220mm,1500mm,或指定長度的緩沖條
3、阻燃緩沖床緩沖支架的選型:Q235,工字鋼(根據物料下落高度,重物直徑大小進行選擇)。
]]>
最容易產生堵料故障的原因是操作人員未按照操作規范嚴格操作,操作人員啟動時要做到無負載,進料要均勻,空載時必須將輸送機停機,不能空載運轉,為了確保進料均勻還可以安裝振動給料機。在給料過程中如果一下子猛加料也易產生堵料,還會加大輸送機的磨損,因此在給料過程中要做到逐步增加,慢慢達到額定輸送能力。
選擇螺旋輸送機時需要考慮到輸送物料、輸送量、輸送機的轉速、電機功率等,如果選擇的輸送機和要輸送的物料與達到的效果不相匹配,也易使輸送機產生堵料問題,因此選擇輸送機時要謹慎考慮,要選擇和輸送物料達到相匹配的效果。
螺旋輸送機輸送完物料時,機內必有雜質存在,如果不進行進行必要的清理也會導致殘留的大雜質或者纖維雜質引起堵塞,因此為減少堵料的發生,輸送物料時應對機器內部進行清理。
輸送機的軸承是最易出現堵料問題的,因此為減少堵料故障的產生要盡量縮小懸掛軸承的橫向尺寸。
除了上述方法外,也可以安裝料倉料位器和堵塞感應器,實現自動控制和報警;加大出料口或加長料槽端部,可以有效解決排料不暢問題,同時也可以在出料口料槽端部安裝一小段反旋向葉片。這些都可以有效防止端部出現堵料故障。
如果選用的是管式螺旋輸送機,可以在卸料端增加一個活門,這樣一旦發生堵料時,將該門打開,就可以清理物料了。
]]>